
1.液壓系統壓(ya)力: 200bar
2.液壓油箱體(tǐ)積:5L
3.液壓泵排量(liang):1.6cc/r
4.電機功率:1.6KW ;DC 12/05V
5.電機(ji)轉速:2500r/min
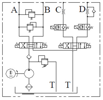
6.功能:雙作(zuò)用和單作用
7.顔(ya)色:默認紅色/白(bái)色塑料
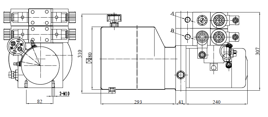
8.安裝方(fang)式:卧式
9.油箱材(cai)料:鐵皮(1-1,5mm),工程塑(sù)料
10.應用場合: 掃(sǎo)雪

**為電磁換向(xiang)閥電壓
外形圖(tú)片

此液壓動力(lì)單元由高壓齒(chi)輪泵、直流電機(jī)、多用集成塊‼️、液(yè)壓💘閥☔、油箱等零(ling)部件有機結合(hé)為一體。為掃雪(xue)車提供🌈升降❓和(hé)角度調節功能(néng),可同時控制一(yī)隻雙作用油缸(gang)及兩隻單作用(yong)油❤️缸。